2019年全国大学生电子设计竞赛综合测评已经结束。达尔闻邀请到西电研究生李天红同学给大家做重点分析。
视频要点提示:题目分析、常用波形变换电路、两种可行方案、方案仿真、实际过程中遇到的问题分析。
备注:
1)综合测评现场仅提供示波器、台式万用表、学生电源、波形发生器;
2)审题时,需特别注意题目要求。有些组以为单独模块是可以用信号发生器,但题目要求就是做信号发生器,所以不能用波形发生器。就算是单独模块,意思是不接其他的信号(当然也不能接波形发生器)直接产生所要求的信号 。
以下是视频文字稿:
首先,来看一下题目分析:

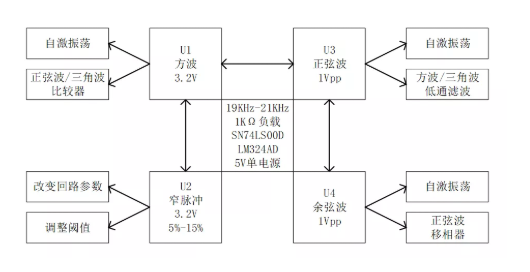
频率范围的要求是19KHz到21KHz,负载是1000欧姆。这两个要求对必须使用的SN74LS00D和LM324AD两个器件来说是完全能够实现的。另外对于5V单电源的供电要求,平时习惯了双电源供电的同学则需要根据虚地对电路结构进行合理的调整。
今年的题目同样要求产生四路不同的波形,首先是一路方波,对于方波可以直接利用自激振荡的方式产生。如果已经产生了比较好的正弦波或者是三角波,则可以通过比较器将其重新整形为方波。而对于窄脉冲同样也可以利用自激振荡的方式产生,但是需要重新改变回路参数,比如R或RC的比例来得到不同的占空比。另一方面如果利用比较器的方式产生,则需要调整比较器的阈值来得到不同的占空比输出。
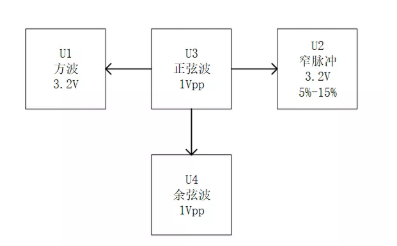
第二,对于正弦波的产生,同样也可以利用自激振荡。但是如果对方波和三角波进行傅里叶展开,发现有很多的频率分量,那么就可以通过滤波器的方式,来直接选出所需要的频率。通常我们所用的是低通滤波器来得到其基波的方式,对于余弦波的产生,也可以利用自激振荡的方式。但是我们注意到正弦波和余弦波,仅仅是相差一个90度的附加相移,因此可以利用已经产生的正弦波,通过移相的方式来得到所需要的余弦波。需要注意的是四个波形不一定要完全独立产生。在方波和正弦波以及方波与窄脉冲或者余弦波与正弦波之间可以进行相互的转换。比如方波到正弦波的转换,可以利用低通滤波器产生。正弦波则可以直接通过比较器来得到方波。
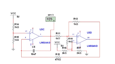
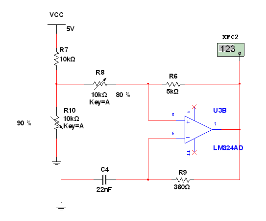
这里我们给出两种不同的实现方案:一种方案是先产生一路方波,然过低通滤波器产生正弦波,通过移相器产生余弦波,通过比较器产生窄脉冲信号。

另一种方案则是先产生一路正弦波,通过两个不同的比较器产生方波和窄脉冲信号,通过移相器产生余弦波。这两种方案均可以只使用运放来实现。题目中提到的74LS00则通常用来完成整形的过程,这样我们得到的方波的上升沿和下降沿更加的陡峭。
下面介绍几种常见的单电源振荡器电路结构:最基本的是文氏桥振荡器,通常要求R1等于R2等于R,C1等于C2等于C,电路震荡发生后它的频率为1/2πRC。通过调整R1或R2的值,则可以调整它的输出频率。该电路能够输出比较好的正弦波。
下面是常用的方波发生器,该电路的输出频率由RC充放电时间决定。通过调整R的值则可以调整方波的输出频率。
下面这个电路能够同时输出一路方波以及一路三角波,方波可以直接作为一路输出,或者通过滤波后产生正弦波。另外三角波也可以通过比较器来产生窄脉冲,同时也可以滤波后产生正弦波。
当然还可以通过74LS00两个输入短接构成非门的方式来构成方波发生器,这里不再进行介绍。
通常我们可以使用的单电源电路还有两种比较器实现整形的过程,两种放大器实现对幅度的调节,同时还可以构成低通滤波器、高通滤波器、带通滤波器或带阻滤波器。值得注意的是这两种简单的RC电路结构,不仅可以构成低通滤波器或高通滤波器,同时还是积分器和微分器。另外还可以实现移相的功能,当然也可以组合起来形成带通滤波器或者带阻滤波器,其最明显的特点就是电路结构简单,配合其他电路可以很方便的实现各种功能。

针对大家在调试过程中遇到的一些问题,我们来做一个简单的总结分析:
第一点,自激振荡电路无输出或输出失真,在这种情况下大家一定要保证自己的电路能够满足自激振荡的条件,另外LM324的供电电压通常要比较高,在5V单电源的供电条件下,大家可以通过适当的减小电阻
或者增大电容的方法,或者增大必要的RC滤波,来保证电路的正常输出。
第二点,运放输出波形失真,通常大家遇到的都是类似于交越失真的情况,这时大家可以通过减小回路电阻来增大电流的方法,或者LM324需要带负载输出,如果是空载输出,LM324的输出会出现类似于交越失真的情况。单电源的影响,在单电源供电时要考虑虚地,但是虚地不一定等于0.5倍的VCC,大家要注意根据实际的网络来调整分压比例。
第三点,RC滤波输出幅度较小,RC滤波是有一定的阻抗的,并且随频率会发生变化,在这种时候大家要通过调整RC的比例改变阻抗大小,或者增加必要的放大电路,来得到我们所需要的幅度。
第四点,器件不够用的情况,这种时候我们只能通过简化电路结构。如果RC能够满足要求,就不需要增加必要的运放。
第五点,级联后频率范围出现变化,级联后电路的整个RC网络参数会发生变化。大家要重新调整振荡器的参数改变其工作状态,保证我们所需要的频率稳定。只有简单、稳定、有效的电路,才能够直接得到我们所需要的输出结果。
下一步,看看电路仿真结果:

上图源文件使用multisim14,可以在“达尔闻说”微信公众号中,回复“综测仿真”获取。
图中用到了已经介绍过的三种自激振荡电路:文氏桥振荡器、方波发生器、能够同时产生三角波和方波的电路。
由于LM324的模型存在一定的问题,我们将其替换为了UA741,也是一种比较常用的运放。
仿真调试的过程以及各个波形,点击上面视频,约7分50秒。
2019年电赛即将落下大幕,无论你是获奖了,还是被淘汰,这篇文章都是非常好的总结,动手点一下“在看”,让更多同学看到。
TI 杯2019年全国大学生电子设计竞赛复测工作通知(复测名单已公布):www.nuedc-training.com.cn/index/news/details/new_id/174
敬请期待:电赛复测结束后,达尔闻会邀请各组别国一选手视频/文字解析他们的优秀作品,持续更新,关注“达尔闻说”总是没错的!