方案解析-C题线路负载及故障检测装置(湖南理工学院)
我们是来自湖南理工学院的龙淑群、邓星峰、胡赟,在2019年电赛中选择C题,并获得国一。感谢达尔闻邀请,在这里分享我们的方案及心得体会,希望帮助更多参加电赛的同学。
设计并制作线路负载及故障检测装置。检测装置只通过两个连接端子与根导线。 导线上 A、B两点距离各自两点距离各自连接端子约5cm ,远端 30cm范围内为连接负载和故障区域。
根据电阻、电容、电感及其组成网络的频率特性,拟采用扫频测量、机器学习等方法进行设计。系统主要由扫频信号源模块、幅值检测模块、恒流源模块、ADC 采样电路和显示模块组成,下面分别论证这几个模块的选择。下面分别对各重要功能模块进行方案论证。
1、主控器件的比较与选择
基于上述各模块方案论证,系统总体方案如图1 所示。继电器1 用于切换直流与交流电压(AD9958)输出,继电器2 和3 用于切换恒流源输出。利用ADS1256 三路ADC分别采集负载端直流电压、交流电压真有效值(AD8361)、恒流源电压(短路时使用),两路跟随器将ADC 与负载进行隔离,减少采样电路对测量的干扰。单片机DA 控制恒流源稳定输出,从而测量短路故障时导线上的微弱压降。

图1 系统总体方案框图
1、元件值测量分析。电阻、电容和电感三种元件在不同频率下所表现出的特性不同,电阻的阻抗几乎不受频率影响,电容的阻抗随频率的增加阻抗越来越小,电感的阻抗随频率的增加越来越大。因此可将元件串联一个基准电阻进行分压,加真有效值和高精度ADC 通过测取分压大小,以此计算元件值的大小。
设串入基准电阻为R1,待测电阻为R2,直流电压为Ui,测得分压电阻分压为U0,待测电阻为:

(2)电容的计算
设串入的基准电阻为R3,待测电容为C,对电路进行扫频,当分得的幅值为输入信号的(根号2分之2)倍时,记下频率f,此时电容的阻抗的绝对值等于基准电阻,即:

电感的计算较为复杂,具体原因是电感存在一个内阻RS,也应该在考虑的范围之内,设输入的基准电阻仍然为R3,通过一个继电器切换恒流源将电感内阻RS 测出来,设输入交流信号为Vi,电感值大小为L,则电感分压V0 满足:

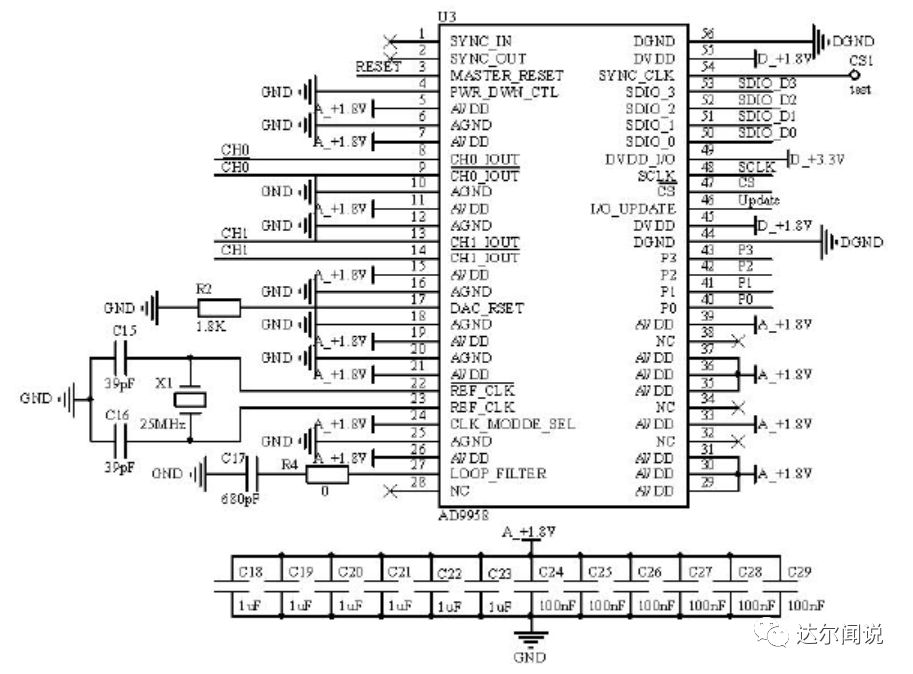
系统扫频信号源采用AD 公司的DDS 芯片AD9958 为核心,首先对AD9958 进行初始化,设置所需主频。然后,AD9958 写入频率控制字、相位控制字、幅度控制字和通道选择控制,以差分方式输出所需频率信号。这里只使用其中一路信号作为扫频源。

图2 扫频源电路
AD8361 对输入信号的有效值有7.5 倍增益,实际使用时需要对输入信号进行分压(R16、R18 分压)并加电容C21 进行隔直,为避免R16、R18、C21 以及芯片的输入电阻225Ω构成的高通滤波器对整个系统的测量造成影响,改变电容值的大小使滤波器截止频率降至300Hz 以下,最终确定如图3 所示电路。

图3 真有效值测量电路
程序设计及流程图
1、主程序设计思路
2、元件值测试子程序流程图

3、负载状态判断子程序流程图

4、负载网络结构识别子程序流程图

5、故障测距子程序流程
由于故障测距是采用恒流源和欧姆定律,程序相对简单,受篇幅限制不再赘述。但需要说明的是考虑短路电阻很小,恒流源需要间歇输出,避免长时间过流发热。
1、测试方案
情况一:AB 点无干扰。情况二:由信号发生器产生扫频信号(方波,峰峰值5V,均值0,线性方式,初始频率和终止频率分别为100Hz 和1kHz,扫描时间为100ms),并接入A 点。情况三:在保留A 点输入上述方波的基础上,再由另一台信号发生器产生扫频信号(初始频率和终止频率分别为1MHz 和10MHz,其它与情况二相同),并接入B 点。三种情况下,短路故障点与A 点(或B 点)的距离测试结果见下表。

根据上述测试数据,电阻、电容、电感测试相对误差的绝对值均小于5%,且单个元件的测试均能在2.5s 内完成;可检测由给定电阻、电容和电感3 个元件中,任意2~3个元件串联或者并联组成负载的网络结构,最长耗时不超过3s;在有无干扰的情况下,短路故障点距离测量误差小于0.5cm。由此可以得出以下结论:本装置符合基础部分、发挥部分的全部要求,且各项测量误差、测量耗时性能优于指标要求。
最后,给来年想要参加全国电赛的同学分享一些小小心得:
一、坚持和积累很重要
大一大二提前自学电路、模电等硬件相关专业理论课程同时开始了解基本元器件、芯片、焊接技术及使用AD软件设计制作PCB板等与工程应用相关的专业实践技能。后来就跟随老师一起做了一些大大小小的项目,参赛与实验室的项目培训对于专业能力的培养是相辅相成的。
二、合理安排时间及保持良好的心态
竞赛需要在四天三晚内完成作品,有的同学前期浪费太多时间到后面就越慌张,后期可能睡眠有些不足,就容易犯糊涂,这个时候调试作品也可能会越调越糟糕甚至完全崩盘。我们在竞赛的心态上可以佛系一点,不要定太高的目标给自己施加压力,但行动上必须务实一点,尽快完成系统的搭建实现模块联调,不要拖拖拉拉浪费时间,做好的本分的事情拿奖就是水到渠成。另外:感觉撑不住了一定要睡一小会,合理休息不是浪费时间,带着思维混乱的状态苦撑是大忌。
三、养成规范操作的习惯
因操作不规范造成作品损坏而错失大奖太可惜了,我们在平时就应该养成好习惯:拿取及运输作品的时候要轻拿轻放、上电前先测试电源是否短路、调试时避免带电操作造成作品损坏、演示作品时注意动作幅度不要过大等等。
能够取得一个不错的成绩还是挺开心的,感谢父母,感谢湖南理工学院,感谢我的导师陈松老师,感谢队友的共同努力及实验室的小伙伴们平时在学习上和生活上给我的帮助。